Категории
Двойной клик для увеличения
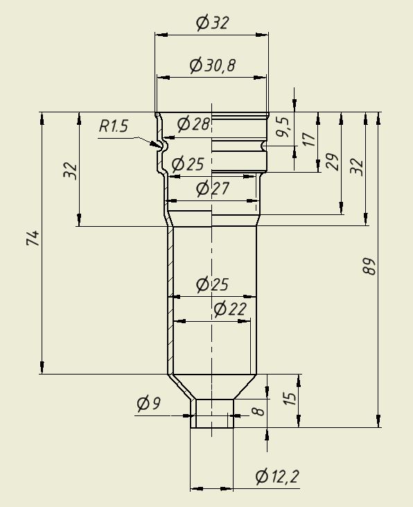
Артикул: 120-08-0002

Стакан форсунки BY030; 4HK1; 8-97606-661-0; 8-98018-462-0 ISUZU

В наличии
Применимость: ISUZU / ISUZU 4HK1
OEM: 8976066610, 8-97606-661-0, 8980184620, 8-98018-462-0
Номер
производителя:
BY030
Вес(кг): 0.081
824.00 р.

Наверх